Ankündigung

Einklappen
Keine Ankündigung bisher.

iDrive-Controller nachrüsten?

Einklappen
X
 
  • Filter
  • Zeit
  • Anzeigen
Alles löschen
neue Beiträge

  • #61
    AW: iDrive-Controller nachrüsten?

    Hallo Heini,
    wenn du es möglichst rückrüstbar halten willst (mit geringem Risiko). Dann würde ich den oragenen Stecker, der an der Encoderplatine angesteckt ist entfernen. Jetzt das Flachbandkabel auteilen und die Kabel zum "I-Drive" anlöten.
    Wenn das schief geht, kann normal jeder EDV Spezi das Flachbandkabel reparieren.
    Das Bauteil ist die Headunit oder Radio.
    Grüße Werner

    FREIZEITPANZER-Fahrer


    Mit der Technik von Heute, schaffen wir es schon fast, die Probleme zu lösen, die wir ohne sie nicht hätten. Verfasser unbekannt

    Kommentar


    • #62
      AW: iDrive-Controller nachrüsten?

      Hallo Heini,..

      ich persönlich würde den "rechten Drehknopf" auf jedenfall drinnen lassen alleine schon aus optische Gründen.

      Der Encoder (der auf der kleinen Platine gelötet ist) hat auf der einen Seite 3 Lötstifte.
      Ich habe erst probiert den rechten und den linken (der in der Mitte darf ja bleiben) auszulöten,..

      wenn du das schaffst, kannst du einen anderen Encoder einfach 1:1 "drunter" löten wie ich es gemacht habe...
      (da ich den linken und rechten Pin alleine nicht raus bekommen habe, habe ich die beiden Pins einfach knapp über der Platine durchgeschnitten,.. (könnte man später einfach wieder zusammen löten)

      Und damit hast du meine Lösung, dass der Knopf (zum drücken) noch klappt.

      (die anderen 2 Stifte auf der anderen Seite sind ja für den Taster)...

      PS: eh jemand das Radio "unnötig" zerlegt,.. bitte erst die andere Seite bauen und "zufrieden sein",.. ansonsten ärgert ihr euch, wenn
      es nicht vernünftig aussieht / klappt / oder mechanisch stabil ist,
      ihr euch aber schon die Arbeit am Radio gemacht habt..
      mfG. Micha

      Ich esse keine Enten mehr: http://www.peta.de/

      Kommentar


      • #63
        AW: iDrive-Controller nachrüsten?

        Hallo,

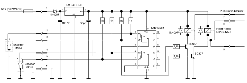
        am Wochenende habe ich endlich die Zeit gefunden, die Schaltung für den Parallelbetrieb von zwei Dreh-Encodern aufzubauen. Das zu Grunde liegende Schaltbild habe ich (wie zuvor versprochen) hier angefügt. Den Aufbau auf der Platine habe ich auch fotografiert, aber das Bild ist noch in der Kamera... (kommt noch hier herein, wenn es jemanden interessiert).

        Ich habe bisher nur mit zwei Dreh-Encodern getestet und an den Ausgängen probeweise LEDs zur optischen Kontrolle angeschlossen. Soweit funktioniert das tadellos (diese Reed-Relais sind sauschnell). Es fehlt noch der Test am Radio des X3 (kommt aber auch noch bald dran).
        Frage an die Spezialisten: Habt ihr, als ihr die Headunit vom Radio gelöst hattet, das Radio selbst noch am Bordnetz des X3 angeschlossen gelassen? (Oder erst Radio komplett abgeklemmt und dann Headunit abgenommen? Und wie fummelig ist es, die Kabelverbindung von Headunit zu Radio wieder aufzustecken?) - schonmal Danke vorab für eure Antworten...

        Micha hat schon Recht, wenn er schreibt, "erst die andere Seite aufbauen". Und zwischenzeitlich bin ich auch von meiner ursprünglichen Idee abgerückt, das ganze ohne einen iDrive-Controller aufbauen zu wollen. Im Gegensatz zu Micha habe ich mich allerdings für den CIC mit der Teilenummer 9205177 entschieden. Damit steht die Schrift der Tasten nicht auf dem Kopf und dieser Controller sieht auch etwas moderner aus

        Mehr Bilder folgen definitiv, sobald der gesamte Umbau abgeschlossen ist - wird aber bestimmt noch bis nächste Woche dauern (unter der Woche gibt es bei mir keinen Arbeitsfortschritt am Xi...)

        Viele Grüße
        Uli

        P.S.: Micha, die Schaltung würde auch Dir erlauben, beide Encoder parallel zu betreiben. Kosten und Aufwand dafür halten sich in Grenzen... (ich lass Dir gerne auch mein Platinen-Layout zukommen)
        Angehängte Dateien

        Kommentar


        • #64
          AW: iDrive-Controller nachrüsten?

          Das Hört sich sehr vielversprechend an!
          Bei mir ist das Thema auch noch nicht vom Tisch, nur verschoben.
          Grüße Werner

          FREIZEITPANZER-Fahrer


          Mit der Technik von Heute, schaffen wir es schon fast, die Probleme zu lösen, die wir ohne sie nicht hätten. Verfasser unbekannt

          Kommentar


          • #65
            AW: iDrive-Controller nachrüsten?

            Zitat von Ice-3 Beitrag anzeigen
            Habt ihr, als ihr die Headunit vom Radio gelöst hattet, das Radio selbst noch am Bordnetz des X3 angeschlossen gelassen? (Oder erst Radio komplett abgeklemmt und dann Headunit abgenommen? Und wie fummelig ist es, die Kabelverbindung von Headunit zu Radio wieder aufzustecken?) - schonmal Danke vorab für eure Antworten...
            Hallo Uli,..

            was das Headunit angeht,.. -> Radioausbauen (komplett abklemmen,..) ist eigentlich total easy,.. (sollte man auch machen),..

            Für den rechten Encoder muss die Radiofront (das meinst du wahrscheinlich mit Headunit) NICHT ausbauen,..
            denn wie oben bereits gezeigt, kann man den Encoder alleine ausbauen (und dieser ist gesteckt)...
            (siehst du auch sofort, nachdem das Radio raus ist,.. (unter der schwarzen Mini Encoder-Abdeckung)

            Wenn du doch die Radiofront abbauen möchtest,.. muss das kleine Flachkabel gelöst werden,..
            (zum wieder montieren habe ich selbst den Radiodeckel geöffnet um das Flachkabel wieder zu positonieren),.. dieser "minirahmen" quetsch es fest.. ist schon etwas tricky..

            Zur Schaltung Uli,.. dein Einsatz in Ehren,... aber glaub mir,.. wenn der Controller funktioniert, wirst du den rechten Knopf nicht mehr vermissen,..

            (diese Reedrelais klicken ja auch immer ganz leise,... o.k. jenachdem wo man sie montiert, wird man Sie nicht hören,..)

            Ich würde es weiterhin ersteinmal OHNE Parallelschaltung probieren,..
            (PS: bau doch einfach einen doppelten Wechselschalter in den Aschenbecher,.. dann kann man "zur Not" immer noch umschalten)

            Zum ausgewählten Knopf,.. -> ich finde den auch toll,..
            aber nur wenn die ganzen Tasten auch genutzt werden können,..
            und da sehe ich das Problem, da die Tasten kaum "2 polig" ausgeführt sind,..
            und für jede Taste ein Reedrelais wäre mir auch etwas zuviel des Guten,...

            aber mach wie es dir am besten gefällt und halte uns auf dem Laufendem,..

            es gibt sicher immer noch weitere gute Ideen,.. und auch dein IDrive Knopf sieht ferig bestimmt klasse auch,..
            mfG. Micha
            mfG. Micha

            Ich esse keine Enten mehr: http://www.peta.de/

            Kommentar


            • #66
              AW: iDrive-Controller nachrüsten?

              So, es ist vollbracht:

              In meinem E83 ist nun ein CIC iDrive Controller verbaut.

              Der Controller bekam von mir eine komplett neue, eigene Elektronik und ist nun mit dem Radio verbunden, so dass ich sowohl mit den Radio-Bedienknöpfen, als auch mit dem iDrive den Bordcomputer, Navi, Radio, CD-Wechsler und Telefon steuern kann. Die beiden Dreh-Encoder (einer im iDrive und einer im Radio) sind dazu per Elektronik parallel geschaltet, die Drucktasten des iDrive sind mit einigen Tasten im Radio parallel geschaltet.

              Im Wesentlichen habe ich mich an der Vorgehensweise, wie von X3 Micha bereits erfolgreich vorgemacht, orientiert.
              Dieser Umbau ist allerdings ein sehr zeitaufwändiges Projekt gewesen, das hatte ich unterschätzt - aber so ist das halt bei Prototypen...

              Fragen dazu beantworte ich hier gerne.

              Und so sieht das Teil im eingebauten Zustand aus:
              Angehängte Dateien

              Kommentar


              • #67
                AW: iDrive-Controller nachrüsten?

                RESPEKT!!

                Schaut super aus und dazu noch die vielen Funktionen, die Du verbaut hast. Wäre ich nicht so ein Elektroniklegastheniker würde ich nachziehen.

                Oder baust Du auch im Auftrag deine geniale, technische Lösung ein?
                Gruß aus Bayern,

                --> Hans <---

                Kommentar


                • #68
                  AW: iDrive-Controller nachrüsten?

                  Sieht super aus!

                  Funktionieren die Tasten denn der Beschriftung entsprechend?
                  Wie ist die Haptik beim Drehen und Drücken?
                  Ist alles beleuchtet?

                  Kommentar


                  • #69
                    AW: iDrive-Controller nachrüsten?

                    Wow Uli,

                    deine Lösung sieht absolut professionell aus!
                    Mit den Umbauarbeiten für weitere Forumsmitglieder könntest Du Dir bestimmt so manchen Euro nebenbei verdienen!
                    Grüße aus dem Norden

                    Andreas

                    Kommentar


                    • #70
                      Hut ab!
                      Leider habe ich von Technik Null-Komma-Null Ahnung :-((
                      Also mein Respekt für solche Arbeiten!!

                      Kommentar


                      • #71
                        AW: iDrive-Controller nachrüsten?

                        Hut ab

                        Wirklich professionell umgesetzt. Sieht perfekt aus!
                        Viele Grüße
                        Joachim

                        Kommentar


                        • #72
                          AW: iDrive-Controller nachrüsten?

                          Sieht echt super aus.
                          Wieviele stunden arbeit hat dich das gekostet.
                          Gruss
                          Zuletzt geändert von Iceball; 22.02.2012, 12:14.

                          Kommentar


                          • #73
                            AW: iDrive-Controller nachrüsten?

                            Alles ist beleuchtet (im Bild sieht man das an dem Ring unterm Drehknopf - aber klar, ich muss mal ein Bild bei Dunkelheit machen...)
                            Ich habe allerdings nicht die SMD-LEDs von der Original-Platine benutzt und darum auch nicht die typische BMW-Farbe für die Bedienelemente hinbekommen (bei mir ist der Farbton etwas roter). Wenn ich wieder mehr Zeit habe, werde ich nochmal mit anderen LEDs testen... (sind ja "nur" 11 LEDs umzulöten).

                            Die Tasten funktionieren nicht wie bei einem echten CIC (also ich komme z.B. nicht direkt zum Navi, wenn ich die Taste drücke), sondern ich habe einfach bestimmte Tasten des Radios auf den iDrive "dupliziert":
                            • Menü ist Menü am Radio
                            • CD ist die Liste-Taste am Radio (in der Mitte rechts)
                            • Radio ist die Mode-Taste am Radio
                            • Tel ist für die Telefon-Annahme-Taste am Radio
                            • Option ist die Sel-Taste am Radio (brauch ich wohl aber nie)
                            • Back habe ich mit Menü parallel geschaltet.
                            Die Bedienung ist also im Wesentlichen unverändert, erfolgt aber aus einer ergonomischeren Position für den rechten Arm.

                            Menü ist die Taste, die ich am häufigsten brauche, manchmal noch Mode; um ehrlich zu sein, der Rest ist reine Spielerei
                            Auch Telefonate nehm ich gewohnheitsmäßig direkt am Lenkrad an.

                            Zur Haptik:
                            Das Drücken (sowohl der Tasten als auch des iDrive-Knopfes) ist absolut optimal geworden.
                            Beim Drehen ist der Encoder allerdings "weicher", als der original CIC. Man spürt die Rastpunkte des Encoders aber einwandfrei (und weil der Encoder sauber einrastet, bleibt er normalerweise auch nicht zwischen zwei Positionen stehen - mal sehen, ob das dauerhaft so bleibt - wenn nicht, würde ich auf Lichtschranke umbauen).

                            Lasst mich erst noch etwas Langzeiterfahrung mit dem Teil sammeln, bevor wir hier darüber nachdenken, damit in Serie zu gehen...

                            Viele Grüße
                            Uli

                            Kommentar


                            • #74
                              AW: iDrive-Controller nachrüsten?

                              Hier noch die Antwort auf die Frage zu den Arbeitsstunden:
                              Ich hab es nicht gezählt - aber die letzten beiden Wochenenden habe ich mich damit intensiv beschäftigt (Sa. und So. je ca. sechs, sieben Stunden und dann nochmal gestern Nachmittag ca. 4 Stunden) - in Summe werden es wohl 30 Stunden gewesen sein.

                              Für's erste habe ich von der Bastelei genug - aber es hat sich ja gelohnt.

                              Viele Grüße
                              Uli

                              Kommentar


                              • #75
                                AW: iDrive-Controller nachrüsten?

                                Hallo Uli,..

                                saubere Arbeit

                                den Rahmen kannte ich überhaubt nicht,.. welche Artikel-Nr. hat der ??

                                der große Navi CIC war mir vorher erst zu teuer (du hast sicher >100 Euro bezahlt ?)
                                ja,.. hätte ich vorher auch gewusst, dass man da >10 Stunden investieren muss,.. hätte ich mir vielleicht auch den teureren Knopf gegönnt,
                                weil das eigentliche "basteln",.. ja richtig Zeit ausmacht,..

                                Waren bei deinem CIC die Tasten "zweipolig" ausgeführt ?? bei meinem konnte ich nicht wie ich wollte die Tasten belegen, da halt gemeinsame Masse vorhanden.

                                Passt deine Blende seitlich auf beiden Seiten ?? kannst du auch mal ein Foto von der Beifahrereseite machen,..
                                und natürlich im Dunklem wäre klasse.

                                (wie hast du das Teil von unten montiert ?? musstest du auch kleben oder hält es alleine durch den Rahmen von oben,..??)
                                (da ich es geklebt habe, kann ich nicht mal eben die LEDs nachrüsten),..

                                Danke,... für die Rückinfo,.. toll gelöst (noch mehr Fotos vom Aufbau wäre aber toll )

                                PS: welchen Encoder hast du gewählt,.. hast du die mechanische Rastung vom Original behalten können ???
                                mfG. Micha

                                Ich esse keine Enten mehr: http://www.peta.de/

                                Kommentar

                                Lädt...
                                X